Application
BLMT Mechanical aluminum lug used for connection of copper cable,aluminium cable or aluminium alloy cable with aluminium end of electrical equipment in medium voltage.
Material
Body:High strength aluminum alloy
Bolts:Brass or aluminum alloy
Surface:tin plated
Feature
1.Mechanical lug,no needs of crimping tools and the attendant operator skill
2.Only a socket spanner or a wrench is needed
3.Torque controlled sheared off bolts guarantee a good electrical contact
4.Wide application range
5.The solid palm eliminates the ingress of moisture
6.Prefilled with jointing compound
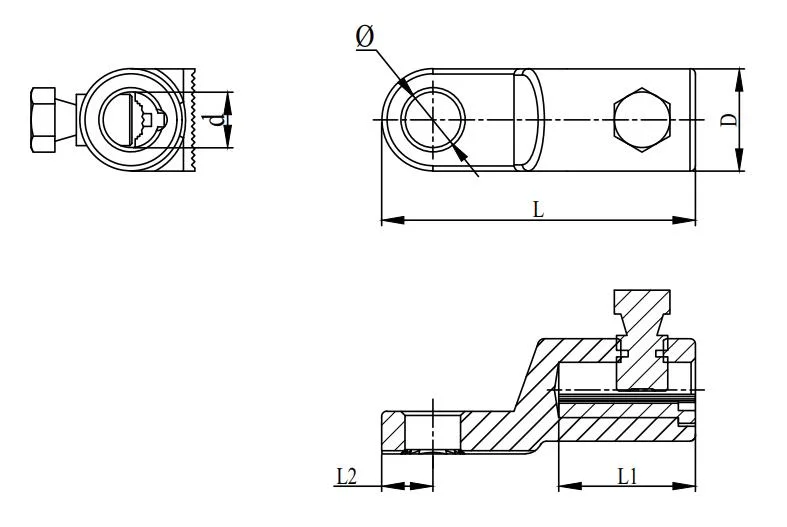
Datas

| Type | Cross section(mm²) | φ±0.3 | D±0.2 | d±0.2 | L±2 | L1±2 | No.of bolt |
| BLMT-25/95 | 25-95 | φ13,φ17 | 24 | 12.8 | 60 | 30 | 1 |
| BLMT-35/150 | 35-150 | φ13,φ17 | 28 | 15.8 | 86 | 35 | 1 |
| BLMT-95/240 | 95-240 | φ13,φ17,φ21 | 33 | 20 | 112 | 60 | 2 |
| BLMT-120/300 | 120-300 | φ13,φ17 | 37 | 24 | 115 | 65 | 2 |
Request a Quote Now
Our team will get back to you within 24 hours.